L
O
A
D
I
N
G
Offcanvas Menu Open
Home
About Us
Applications
Products
+
Multi turn Potentiometers
SQWW-50, Square wire wound potentiometer
Motorised & Solid State Pots
Turn indicating dials
Industrial/ Medical Joystick
Signal Isolator
Current Sensor
Draw wire sensor
Hall effect Hand throttle with linear output, Model HEHTPV
Contact Us
close
Home
About Us
Applications
Products
Multi turn Potentiometers
SQWW-50, Square wire wound potentiometer
Motorised & Solid State Pots
Turn indicating dials
Industrial/ Medical Joystick
Signal Isolator
Current Sensor
Draw wire sensor
Hall effect Hand throttle with linear output, Model HEHTPV
Contact Us
Categories
Multi turn Potentiometers
SQWW-50, Square wire wound potentiometer
Motorised & Solid State Pots
Turn indicating dials
Industrial/ Medical Joystick
Signal Isolator
Current Sensor
Draw wire sensor
Hall effect Hand throttle with linear output, Model HEHTPV
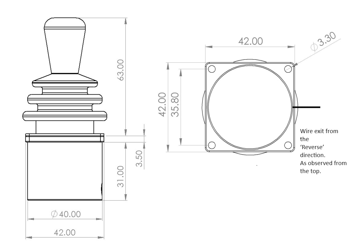
Switching Joy Stick, Model MSSJ-42
Download PDF
Media Gallery
FEATURES
SPECIFICATION
Schemetic
Single or Dual Axis
Up to 3 Amp. Operation
Cross/ Single Axis/ Square limiter
High Quality micro-switches
With Stay Put function upto 2 positions in single axis.
Single Axis/ Dual Axis/ Dual axis with four direction limiter
Maximum Voltage
125 VAC
Current Rating
Upto 3 Amp.
Shaft Material
Brass
Shaft Diameter
4.7 mm
Flange Material
Aluminium
Back Cover Material
ABS
Temperature Range
-25 degC to 85 degC
Operating Angle
+/- 20 Deg.
Mechanical Life Expectancy
1 Million Mechanical Cycles
Above Panel Protection
IP 65